
Ang STM8S103F3P6 ay isang 8-bit na microcontroller na ginawa ng StMicroelectronics, na kilala sa kahanga-hangang pag-andar at walang tahi na pagsasama.Ang compact na aparato na ito ay nilagyan ng isang naka-mount na aparato na naka-mount na aparato (SMD) na istilo ng pag-mount, na naglalagay ng isang advanced na core at peripheral na maingat na ginawa gamit ang teknolohiyang paggupit.Sa pamamagitan ng isang dalas ng orasan na 16 MHz, ipinagmamalaki ng STM8S103F3P6 ang isang matatag na kakayahan sa I/O, na tinitiyak ang mahusay na pagproseso ng data at paghawak.Ang independiyenteng tagapagbantay nito, na nilagyan ng isang independiyenteng mapagkukunan ng orasan at sistema ng seguridad ng orasan, ginagarantiyahan ang pinakamainam na pagganap ng aparato at pagiging matatag laban sa mga potensyal na pagkagambala.
Ang isa sa mga tampok na standout nito ay ang memorya ng flash nito, na nagbibigay ng di-pabagu-bago na imbakan para sa code at data.Sa pamamagitan ng isang saklaw ng boltahe ng operating na sumasaklaw mula sa 2.95 V hanggang 5.5 V, ang microcontroller na ito ay lubos na maraming nalalaman at madaling iakma sa iba't ibang mga aplikasyon.Bilang karagdagan, nag -aalok ito ng isang malawak na saklaw ng temperatura ng operating na -40 ° C hanggang 85 ° C, na ginagawang angkop para sa paglawak sa magkakaibang mga kondisyon sa kapaligiran.
• MSP430G2353
• PIC16LF18444T
At STM8S103F3P3
At STM8S103F3P3TR
At STM8S103F3P6TR


Mababang pagkonsumo ng kuryente: Mayroon itong iba't ibang mga mode ng mababang pagkonsumo ng kuryente na pipiliin, kabilang ang idle mode, mode ng pagtulog, malalim na mode ng pagtulog at off mode, na maaaring epektibong mapalawak ang buhay ng baterya at makatipid ng enerhiya.
Mataas na Pagganap: Pinagtibay nito ang mataas na pagganap na arkitektura ng STM8 core, na nagpapahintulot sa dalas ng operating na maging kasing taas ng 16MHz, na lubos na nagpapabuti sa bilis ng pagpapatupad ng pagtuturo at nagbibigay ng mas mahusay na mga kakayahan sa pag-compute para sa aming mga aplikasyon.
Maramihang mga interface ng komunikasyon: Sinusuportahan nito ang iba't ibang mga interface ng komunikasyon kabilang ang SPI (serial peripheral interface), I2C at UART.Sa pamamagitan ng mga interface na ito, madali itong makipag -usap at makihalubilo sa mga panlabas na aparato upang makamit ang higit pang mga pag -andar at aplikasyon.
Masaganang peripheral: Ang STM8S103F3P6 microcontroller ay may masaganang mga mapagkukunan ng peripheral, kabilang ang 16KB ng flash memory at 1KB ng memorya ng RAM, pati na rin ang karaniwang ginagamit na mga interface tulad ng GPIO pin, timers, at UART.Ang pagkakaiba -iba ng mga peripheral na ito ay ginagawang angkop ang aparato para sa iba't ibang mga sitwasyon ng aplikasyon at maaaring matugunan ang mga pangangailangan ng iba't ibang larangan at industriya.Kung ito ay kontrol sa industriya, matalinong bahay, o naka -embed na mga sistema, ang STM8S103F3P6 ay maaaring magbigay ng suporta.

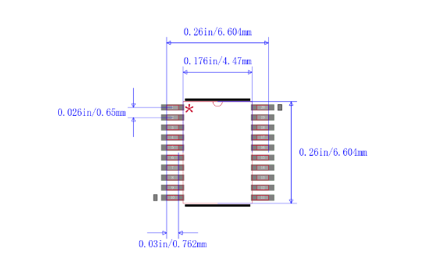
Ang STM8S103F3P6 ay nakabalot sa isang manipis na pag -urong maliit na outline package (TSSOP) at may 20 pin.Ang katawan at lead spacing ay mas maliit kaysa sa karaniwang mga pakete ng soic.Ang isang karaniwang tampok ng TSSOP ay ang pagbuo ng mga pin sa paligid ng nakabalot na chip, na ginagawang angkop para sa pag -mount ng mga kable sa mga PCB gamit ang teknolohiyang SMT.Kapag gumagamit ng package ng TSSOP, ang mga parameter ng parasitiko (kaguluhan ng boltahe ng output na sanhi ng malalaking pagbabago sa kasalukuyang) ay mas maliit, kaya angkop ito para sa mga aplikasyon ng high-frequency.Ang ganitong uri ng pakete ay mas maginhawa upang mapatakbo at may mas mataas na pagiging maaasahan.
Ang pakete ng TSSOP ay may mga sumusunod na tampok:
• Maliit na pin spacing: Ang pin spacing ay karaniwang 0.5mm o 0.65mm.Sa pamamagitan ng disenyo ng mga circuit board tanso bar, maraming mga aparato ang maaaring mailagay sa circuit board na may parehong lugar at laki.
• Malawak na saklaw ng aplikasyon: Maaari itong mailapat sa iba't ibang mga patlang ng aplikasyon tulad ng mga microcontroller, DSP, memory chips, at mga power supply chips.
• Mataas na bilang ng pin: Ang bilang ng mga pin ay karaniwang nasa paligid ng 20 hanggang 64, na maaaring matugunan ang ilang mga kinakailangan sa pagsasama ng chip.
• Maliit na laki ng pakete: Kumpara sa ordinaryong maliit na balangkas (KAYA) mga pakete, ang laki ng pakete nito ay mas maliit, ang kapal ay mas payat, at ang dami ay mas maliit, na ginagawang angkop para sa packaging ng mga high-density na integrated circuit.
• Mataas na Pagganap: Pinagtibay nito ang teknolohiya ng pag -mount sa ibabaw, may mahusay na kondaktibiti at paglaban sa kaagnasan, at maaaring matugunan ang mga espesyal na kinakailangan tulad ng mataas na bilis, mataas na dalas, miniaturization at iba pa.
Maliban kung tinukoy, ang lahat ng mga boltahe ay tinutukoy sa VSS.
Ang minimum at maximum na mga halaga ay ginagarantiyahan sa ilalim ng pinaka -masamang kondisyon, na sumasaklaw sa nakapaligid na temperatura, boltahe ng supply, at mga frequency.Ang mga garantiyang ito ay itinatag sa pamamagitan ng mahigpit na mga pagsubok sa paggawa na isinagawa sa 100% ng mga aparato, na isinasagawa sa isang nakapaligid na temperatura ng TA = 25 ° C at TA = TAMAX (tulad ng tinukoy ng napiling saklaw ng temperatura).
Ang mga halagang batay sa mga resulta ng pagkilala, mga simulation ng disenyo, at/o mga katangian ng teknolohikal ay nakabalangkas sa mga talababa sa talahanayan at hindi sumailalim sa pagsubok sa paggawa.Tungkol sa characterization, ang minimum at maximum na mga halaga na nauukol sa mga sample na pagtatasa at nagpapahiwatig ng ibig sabihin ng halaga na may isang hanay ng plus o minus tatlong beses ang karaniwang paglihis (ibig sabihin ± 3σ).
Maliban kung malinaw na nakasaad kung hindi man, ang karaniwang data ay itinatag na may TA = 25 ° C, VDD = 5 V. Ang mga halagang ito ay ibinibigay lamang bilang mga sanggunian sa disenyo at hindi sumailalim sa pagsubok.
Ang karaniwang katumpakan ng mga halaga ng ADC ay itinatag sa pamamagitan ng pagkilala sa isang hanay ng mga sample mula sa isang karaniwang pagsasabog ng lot sa buong kumpletong saklaw ng temperatura.Sa kontekstong ito, 95% ng mga aparato ay nagpapakita ng isang error sa loob ng tinukoy na halaga (nangangahulugang ± 2σ).
Maliban kung partikular na ipinahiwatig, ang lahat ng mga karaniwang graph ay inilaan lamang bilang mga sanggunian sa disenyo at hindi napapailalim sa pagsubok.
Ang paglampas sa tinukoy na ganap na maximum na mga rating ay maaaring magresulta sa permanenteng pinsala sa aparato.Ang mga rating na ito ay nagpapahiwatig lamang ng mga limitasyon ng stress na maaaring matiis ng aparato, at hindi ipinahiwatig na ang aparato ay gagana nang maayos sa ilalim ng mga kundisyong ito.Ang pagkakalantad sa mga kondisyon sa o malapit sa maximum na mga rating ay maaaring makakaapekto sa pagiging maaasahan ng aparato.
Ang profile ng misyon ng aparato, na nagbabalangkas sa mga kondisyon ng aplikasyon nito, ay sumunod sa pamantayang kwalipikasyon ng JEDEC JESD47, na may mga profile na pinalawak na magagamit sa kahilingan.
Upang makamit ang katatagan para sa pangunahing regulator, ang isang panlabas na kapasitor na may label na cext ay dapat na konektado sa VCAP pin.Mahalaga upang matiyak na ang serye ng inductance ay nananatili sa ibaba 15 NH.
Ang kasalukuyang pagkonsumo ay sinusukat tulad ng isinalarawan sa sumusunod na larawan.

Kabuuang supply ng kasalukuyang pagkonsumo sa run mode
Ang MCU ay inilalagay sa ilalim ng mga sumusunod na kondisyon:
• Ang lahat ng mga peripheral ay hindi pinagana (ang orasan ay huminto sa pamamagitan ng peripheral clock gating registro) maliban kung malinaw na nabanggit.
• Lahat ng I/O pin sa mode ng pag -input na may isang static na halaga sa VDD o VSS (walang pagkarga)
Napapailalim sa pangkalahatang mga kondisyon ng operating para sa VDD at TA.

Ang STM8S103F3P6 ay may 20 pin, ang mga pangalan at pag -andar nito ay ang mga sumusunod:
Pin1 (PD4/ Beep/ Tim2_ CH1/ UART1 _CK): Port D4
Pin2 (pd5/ ain5/ uart1 _tx): port d5
Pin3 (pd6/ ain6/ uart1 _rx): port d6
Pin4 (NRST): I -reset
Pin5 (PA1/Oscin): Port A1
PIN6 (PA2/OSCOUT): Port A2
Pin7 (VSS): Digital Ground
PIN8 (VCAP): 1.8 V regulator capacitor
Pin9 (VDD): Digital Power Supply
PIN10 (PA3/ TIM2_ CH3 [SPI_ NSS]): Port A3
Pin11 (PB5/ I2C_ SDA [TIM1_ BKIN]): Port B5
Pin12 (PB4/ I2C_ SCL): Port B4
Pin13 (PC3/ TIM1_CH3 [TLI] [TIM1_ CH1N]): Port C3
Pin14 (PC4/ CLK_CCO/ TIM1_ CH4/ AIN2/ [TIM1_ CH2N]): Port C4
Pin15 (PC5/ SPI_SCK [TIM2_ CH1]): Port C5
PIN16 (PC6/ SPI_MOSI [TIM1_ CH1]): Port C6
Pin17 (PC7/ SPI_MISO [TIM1_ CH2]): Port C7
Pin18 (PD1/ Swim): Port D1
Pin19 (PD2/ Ain3/ [TIM2_ CH3]): Port D2
Pin20 (PD3/ AIN4/ TIM2_ CH2/ ADC_ ETR): Port D3
Tulad ng ipinapakita sa figure sa itaas, ang STM8S103F3P6 chip ay may hanggang sa 16 I/O pin, na maaaring magamit para sa iba't ibang mga layunin, tulad ng GPIO, peripheral interface, ADC, atbp. Ang I/O pin ay bidirectional at maaaring magingGinamit bilang mga pin ng input upang mabasa ang mga panlabas na signal o bilang mga output pin upang magpadala ng mga signal sa mga panlabas na aparato.Bilang karagdagan, ang bawat I/O pin ay maaaring nakapag -iisa na itinalaga ng isang makagambala na vector upang mapadali ang tumpak na pagproseso ng mga pagkagambala kapag nangyari ito.
• Mga Sistema ng Automation: Ang microcontroller na ito ay maaaring magamit sa mga sistema ng automation tulad ng mga kurtina ng kuryente, pag -access ng mga sistema ng control, kontrol sa temperatura at kontrol sa pag -iilaw.
• IoT (Internet of Things) Application: Kung kailangan nating bumuo ng mga aparato ng IoT, maaari itong magamit bilang isang magsusupil para sa mga IoT node upang kumonekta at makontrol ang iba't ibang mga sensor at module ng komunikasyon.
• Mga personal na elektronikong aparato: Ginamit sa mga digital camera, MP3 at MP4 player, electronic game console, atbp.
• Mga Elektronikong Kagamitan: Ginamit upang Bumuo ng Iba't ibang Electronic Equipment
, tulad ng mga elektronikong laruan, remote control, mini calculator, atbp.
• Pang -industriya na patlang: Ginamit sa PLC, Pang -industriya na Controller, Proseso ng Automation at Kagamitan ng Kontrol ng Kontrol ng Ship, atbp.
• Pagkuha ng data at interface ng sensor: Ginamit upang masubaybayan ang mga kondisyon ng kapaligiran at mangolekta ng data o upang ikonekta ang iba't ibang mga sensor tulad ng mga light sensor, sensor ng temperatura, at mga sensor ng kahalumigmigan.
• Naka-embed na sistema ng kontrol: Ginamit upang magdisenyo ng iba't ibang mga naka-embed na control system, tulad ng mga gamit sa sambahayan, kagamitan sa industriya, mga tool ng kuryente, atbp.
Ang STM8S103F3P6 ay isang microcontroller chip na binuo ng stmicroelectronics.Ito ay kabilang sa pamilyang STM8 ng 8-bit microcontroller at malawakang ginagamit sa iba't ibang mga naka-embed na system at mga aplikasyon ng IoT.
Ang STM8S103F3P6 microcontroller unit ay may 640 bit ROM, 10-bit 5-channels ADC, 1KB RAM at may laki ng memorya ng programa na 8KB.
Maaari naming palitan ang STM8S103F3P6 sa MSP430G2353, PIC16LF18444T, STM8S103F3P3, STM8S103F3P3TR o STM8S103F3P6TR.
Oo, ang STM8S103F3P6 ay dinisenyo na may mga tampok na mababang-kapangyarihan at maaaring magamit sa mga aplikasyon na pinapagana ng baterya o mababang-kapangyarihan kung saan mahalaga ang kahusayan ng enerhiya.
Ang ilang mga pangunahing tampok ng STM8S103F3P6 ay may kasamang GPIO (Pangkalahatang layunin ng Input/Output) na mga pin, UART (Universal Asynchronous Receiver/Transmitter) Komunikasyon, I2C (Inter-Integrated Circuit) Komunikasyon, SPI (Serial Peripheral Interface) Komunikasyon, Timers, at marami pa.
TUNGKOL SA ATIN
Kasiyahan ng customer sa bawat oras.Mutual na tiwala at karaniwang interes.
Mga Teknikal na Pagtukoy ng Lithium Coin Cell CR2354
2024-08-02
Comprehensive Guide sa ATMEGA328-PU Microcontroller
2024-08-02
XCV600-5FG680IEmail: Info@ariat-tech.comHK TEL: +852 30501966ADD: Rm 2703 27F Ho King Comm Center 2-16,
Fa Yuen St MongKok Kowloon, Hong Kong.